Зворотний клапан для води для насоса: призначення та принцип дії
Зворотний клапан — обов’язковий елемент обладнання автономних насосних станцій, що забезпечує постійне напрямок руху середовища. Зворотний клапан для води для насоса відключає ділянку трубопроводу, насос або інше обладнання при загрозі нештатної ситуації. Пристрій спрацьовує автоматично від енергії робочого середовища, і є арматурою прямої дії.

Зворотний клапан необхідний для безперебійної роботи системи водопостачання
Призначення і принцип дії зворотного клапана на воду
Призначення зворотного клапана — захист системи водопостачання від критичних змін параметрів потоку. Злив води в свердловину або колодязь, при зупинках насоса, що призводить до зворотного розкручування робочого колеса, і поломки агрегату.
Виконавчий механізм клапана перешкоджає зворотного потоку води, захищає систему трубопроводів і сантехнічне обладнання від гідравлічних ударів. Підпружинений герметичний затвор клапана зворотного ходу води зберігає заповнення труб, підвищує ефективність роботи заглибних і самоусмоктувальних насосів.

Принцип дії різних видів зворотних клапанів
Конструкція і матеріал виконання захисної арматури, яку використовують для автономних систем водопостачання, враховує існуючі нормативні вимоги. Технічні характеристики (номінальна, робочий, пробне і тиск закриття, діаметр приєднання, умовна пропускна здатність, клас герметичності) вказує виробник, у технічному паспорті виробів.
Умовний прохід пружинних зворотних клапанів побутового призначення становить 15÷50 мм. Компактні захисні пристрої забезпечують високу пропускну здатність, експлуатаційну надійність, низький рівень шуму в робочому положенні.
Важливо! Напруга пружини протидіє зусиллю потоку. Відкриття клапана знижує тиск насоса на 0,25÷0,5 атмосфер.

Зворотний клапан пружинний з пластиковим затвором, виробник ITAP
Пристрій клапанів зворотного тиску води
Матеріалом для штампування елементів збірного корпусу служить латунь. Сплав володіє стійкістю до дії агресивних речовин (кисень, мінеральні солі, сірка, марганець, сполуки заліза, органіка тощо), які знаходяться у воді в розчиненому вигляді або в зваженому стані. Зовнішню поверхню виробу покривають гальванічним покриттям (нікелюють).
Деталі золотника виконують із сплаву міді з цинком або високоміцного полімеру. Матеріал ущільнювальної прокладки між запірними дисками — гума або силікон. Пружина зроблена із спеціального сорту нержавіючої сталі.

Пристрій поліпропіленового пружинного зворотного клапана: 1 — корпус, 2 — пробка, 3 — закладна деталь з різьбою, 4 — шток з золотникової тарілкою, 5 — золотниковая шайба, 6 — пружина, 7 — ущільнювальне кільце пробки
Загальні конструктивні елементи пружинних зворотних клапанів:
- складовою корпус (елементів муфтового з’єднання з внутрішньою різьбою на вході і виході, золотниковая камера);
- робочий орган — рухливий золотник, що складається з штока, двох золотникових тарілок і герметичною міждисковою прокладки;
- виконавчий орган запору — пружина, яка знаходиться між тарілками і сідлом клапана (обмежувач в тілі корпусу).
Робочий орган зворотного клапана здійснює зворотно-поступальні рухи в золотникової камері. Тарілки ковзають по штоку золотника. Потік розподіляється по каналу, який має постійний поперечний переріз. Вода рівномірно омиває запірний орган з усіх боків.
Якщо напір потоку перевищує опір пружини, то рухома частина клапана відкриває простір для проходу води в заданому напрямку. При вирівнюванні надлишкового тиску до і після захисного пристрою, або перевищення заданого тиску після клапана пружина переміщає тарілки в сідло.

Для монтажу автономного водопостачання потрібно зворотний клапан, кульовий кран, манометр, фітинги та інші комплектуючі
Клапан зворотний пружинний муфтовий
Розбірний циліндричний корпус складається з двох частин, що мають різьбові з’єднання. Рухливий золотник сформований з пластикового штока, верхній і нижній латунної тарілки. Елементи затвора поділяє герметична ущільнювальна прокладка. Напруга сталевої пружини протидіє напору потоку через тарілчастий механізм золотника.
Клапан зворотний пружинний муфтовий, з латунним золотником
Відмінна риса пристрою зворотного клапана для води, зі сферичною формою золотникової камери — велика пропускна здатність у порівнянні з арматурою традиційної форми.

Пристрій зворотного клапана пружинного з латунним золотником: 1 і 2 — латунний нікельований корпус, 3 — рухливий золотник, 4 — пружина, 5 — латунні золотникові тарілки, 6 — прокладка з EPDM
Комбінований пружинний зворотний клапан з дренажем і воздухоотводчиком
Патрубок з внутрішньою різьбою для повітрявідводчика встановлений на корпусі, над адміністратора зоною золотникової камери. Повітря стравлюють за допомогою крана Маєвського.
Дренажний патрубок з внутрішнім різьбленням і пробкою розташований з протилежного боку корпусу, на виході із зворотного клапана.
Стаття по темі:

При вертикальному монтажі пристрій дозволяє злив води після клапана, і видалення повітряних пробок з трубопроводу до затвора. При горизонтальній установці комбінованого пристрою патрубок для видалення повітря використовують для установки манометра.
Комбінований зворотний клапан скорочує кількість монтажних з’єднань, зменшує сумарний гідравлічний опір арматури, підвищує надійність системи, полегшує процес монтажу та технічного обслуговування системи.

Зворотний клапан з дренажем і воздухоотводчиком
Клапан зворотний пружинний з поліпропіленовим корпусом
Зворотні клапани в пропиленовом корпусі використовують для систем водопостачання, виконаних з пропіленових труб. Зовні фітінг має схожість з косим відведенням. Захисну арматуру з пропілену приєднують до трубопроводу методом поліфузіонного зварювання. Для зручності обслуговування нерозбірного з’єднання, сідло і запірний золотниковий механізм винесені з перпендикулярній площині золотникової камери. Конструктивне стан дозволяє діставати запірний механізм клапана для очищення та ремонту, без порушення цілісності корпусу і системи.
У магістральних трубопроводах централізованого водопостачання використовують пелюсткові, тарілчасті, стулкові, кульові і меж фланцеві зворотні клапани. Для з’єднання арматури великого діаметра використовують фланці і меж фланцеві кріплення на стяжних шпильках. Для монтажу зворотних клапанів в трубної розводки з пропіленових труб застосовують контактну теплове зварювання.

Пружинний зворотний клапан, виконаний з поліпропілену
Правила встановлення зворотного клапана на воду
Захисну арматуру застосовують в автономних системах водопостачання, внутрішньобудинкових мережах водопроводу в багатоквартирних будинках, з роздільною централізованою подачею холодної і гарячої води. Зворотні клапани встановлюють на всмоктувальній лінії поверхневих і глибинних насосів, перед лічильниками води, бойлерами, накопичувальними водонагрівачами.
Пружинні клапани зворотного тиску води не мають тертьових поверхонь, тому їх можна встановлювати в будь-якому положенні (вертикально, горизонтально або похило). Стрілка на корпусі виробу вказує напрямок руху середовища, її вектор повинен збігатися з монтажним положенням захисної арматури.
Прилад потребує регулярному технічному обслуговуванні. Встановлюють зворотний клапан в доступному для прочищення, ревізії, ремонту або заміни місці.

На корпусі клапана є стрілка, яка вказує напрям руху води
Зворотний клапан для води насоса або насосної станції
Для насосних станцій зворотний клапан є обов’язковим елементом, проте в передпродажну комплектацію побутової установки захисний затвор не входить. При купівлі зворотного клапана звертають увагу на приєднувальні розміри пристрою.
Зворотні клапани для заглибних насосів
Якщо захисну арматуру встановлюють на усмоктувальну лінію трубопроводу, то її діаметр повинен співпадати з діаметром труби. При установці клапана на всмоктуючий патрубок заглибного насоса, розміри деталей повинні забезпечувати герметичність з’єднання.
Важливо! Відкладення механічних домішок потоку на внутрішні поверхні клапана обмежує пропускну здатність пристрою, і порушує герметичність затвора.

Комплект автоматики з зворотним клапаном для заглибного насоса
Виробники захисної арматури подбали про те, як встановити зворотний клапан на насос:
- перед зворотним клапаном для водяного насоса рекомендують установку фільтрів грубого механічного очищення;
- сучасні моделі глибинних і свердловинних насосів оснащують захисною арматурою прямої дії на стадії розробки обладнання;
- особлива захист необхідна приймального зворотного клапану для свердловинного насоса, який встановлюють на всмоктувальній лінії з свердловини, колодязя або відкритого водоймища. Сітчасту або перфоровану обойму з нержавіючої сталі з’єднують з зворотним клапаном за допомогою різьби.
Зворотні клапани для насосних станцій
Зворотний клапан для поверхневої насосної станції виконує ті ж функції, що і захисний пристрій для свердловинного агрегату. Різниця полягає в тому, що прилад встановлюють на всмоктуючому патрубку самовсмоктуючого нагнітача тиску.

Зворотний клапан з сітчастим фільтром для насосної станції
Зворотний клапан на воду своїми руками
Збірка зворотного клапана своїми руками теоретично можлива. Витратний набір фітингів купують в сантехнічному відділі найближчого магазину господарських товарів.
Для втілення творчих задумів потрібно:
- трійник з внутрішнім різьбленням (корпус зворотного клапана);
- муфта з зовнішньою різьбою (формує сідло для затвора);
- сталева пружина достатньої жорсткості, відповідного діаметра і довжини (для вільного ходу витків всередині трійника);
- сталева кулька, діаметр якого трохи менше умовного проходу трійника;
- глуха заглушка — упор для пружини («тато»);
- ущільнювач різьбового з’єднання (фум, льон);
- набір сантехнічних ключів.
Потік води входить з боку муфти і змінює напрямок на виході під кутом 90°.

Схема складання пружинного зворотного клапана своїми руками
Складність самостійної збірки зворотного клапана полягає у виборі виконавчого механізму і деталей. Якщо герметичність з’єднань забезпечить досвід і навички виробництва сантехнічних робіт, то якість комплектуючих деталей гарантувати складно.
Для виконавчого механізму заводського зворотного клапана застосовують спеціальну пружинну сталь. Рух пружних запірних дисків дублює направляючий шток. Матеріали для виготовлення клапана володіють сумісністю в процесі роботи обладнання. Технічні параметри виробів відповідають вимогам, зазначеним у загальноприйнятих нормативних документах. Підприємство-виробник надає гарантію на продукцію, що випускається.
Важливо! Забезпечити надійність і якість експлуатації зворотного клапана, зібраного в домашніх умовах, – не можна.

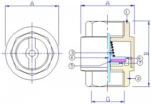
Розміри і принцип роботи муфтового пружинного зворотного клапана: 1 і 2 — корпус; 3 — пружина; 4 — пластиковий шток; 5 — ущільнювач; 6 — верхня тарілка; 7 — нижня тарілка; А — 34,5-79 мм; В — 46-80,5 мм; G — 1/2-2″
Ціна зворотного клапана для води для насоса
Ціни на існуючу захисну арматуру залежать від марки виробника, пропускної здатності (діаметра) і конструктивної модифікації клапана. Вартість магістральної арматури перевищує ціни пристроїв побутового призначення в десятки разів.
Порівняльна таблиця цін зворотних клапанів для води від різних виробників:
ПроизводительДиаметр, ммЦена за шт., рублейКлапан зворотний полипропиленовыйТрубопроводные системи AQUA-S20
25
32110,00
136,00
204,00 VALTEC (Італія)20
25
32128,00
160,00
274,00 Клапан зворотний пружинний муфтовыйVALTEC (Італія)15
20
25191,00
263,00
390,00 Danfoss CO (Данія) 15
20
25 561,00
735,00
962,00 Teсofi (Франція)15
20
25282,00
423,00
563,00 ITAP (Італія)15
20
25 366,00
462,00
673,00 Комбінований пружинний зворотний клапан з дренажем і воздухоотводчикомVALTEC (Італія)15
20
25 652,00
1009,00
1516,00 Клапан зворотний пружинний муфтовий, з латунним золотникомVALTEC (Італія)15
20
25228,00
198,00
498,00
Аналізуючи інформацію, представлену на сайтах офіційних представників і компаній, які виробляють захисну арматуру, можна зробити висновок: зворотні клапани для води для насосів підвищують рівень надійності і якість роботи автономних систем водопостачання.
Артем Іванов 2018-06-14T20:54:26+00:00 Водопостачання| ОЦІНИТЕ
МАТЕРІАЛ
Завантаження… ПОДІЛІТЬСЯ
У СОЦСЕТЯХFacebookTwitterOkGoogle+PinterestVk
