Електронний термометр з виносним датчиком: особливості і переваги
У кожного в житті неодноразово виникала необхідність дізнатися температуру за вікном. Багато цікавляться даним показником по декілька разів за день, при цьому метою може бути як побутове бажання зрозуміти, наскільки тепло одягатися сьогодні, так і виробнича необхідність. Для цього і потрібен електронний термометр з виносним датчиком.

Електронний термометр з виносним датчиком необхідний для вимірювання температури за вікном
Сфера використання електронних термометрів для вимірювання температури повітря
Дане цифрове пристрій відрізняє практичність і зручність у використанні. Основне його призначення – вимірювання температурного режиму як усередині приміщення, так і за його межами.

Порівняно з ртутними електронні термометри відрізняються більш високою точністю показників
Перш за все, електронні термометри актуальні в побуті: вони дозволяють легко і швидко дізнатися температуру на вулиці. Крім того, сучасні віконні термометри для пластикових вікон відмінно вписуються в дизайн сьогоднішніх квартир на відміну від старих дореволюційних термометрів.
Крім домашнього застосування, такі термометри використовуються:
- у технологічних приміщеннях;
- в акваріумах;
- у резервуарах, де утримуються тварини;
- на складах;
- для лазні та сауни.
Одне з важливих якостей електронних термометрів з виносним датчиком для будинку і виробничих потреб – здатність безперервного відстеження температурного режиму як в приміщенні, так і за його межами, що особливо важливо для збереження продукції, підтримки життєдіяльності деяких тварин і створення комфортного мікроклімату.

Деякі моделі електронних термометрів кріпляться на віконне скло
Корисна порада! Якщо вам необхідно виміряти температуру не за вікном або в межах приміщення, а конкретного об’єкта, зверніть увагу на електронні інфрачервоні термометри: вони визначають температуру простим наведенням на вас зацікавив предмет.
Електронний термометр з виносним датчиком: пристрій і принцип роботи
Для того щоб використання цього приладу було зручним і приносило максимум користі, варто розібратися в принципах його функціонування.
Як користуватися електронними термометрами з виносним датчиком
У комплектацію пристрою входить дві частини:

Електронний термометр досить простий пристрій, що не вимоглива до умов експлуатації
Чутлива термопара укладена в гумову, пластикову або металеву оболонку. Від неї температурні імпульси надходять на основний блок. У провідних моделях довжина проводу становить 1-3 м, проте останнім часом все більш популярними стають бездротові варіанти, де на вулиці розміщується радіопередавач з термопарою.
Мініатюрний датчик просовують на вулицю, просвердливши маленький отвір у дерев’яної віконної рами, або через гумовий прихлоп у разі пластикових стулок. Часто датчик виносять через гумове ущільнення пластикової стулки і за допомогою присоски закріплюють на віконному склі. Основний датчик при цьому легко і зручно розмістити в кімнаті на підвіконні, на столі, стелажі або навіть повісити на стіну.
Аналогічний принцип розміщення термометра на холодильній камері. Корпус приладу кріпиться на холодильник за допомогою присоски або поряд з холодильником, в той час як датчик розміщується всередині камери.

Електронні термометри використовуються також для вимірювання температури усередині холодильної камери
Особливості роботи електронних термометрів з виносним датчиком
Завдяки високій чутливості віконних вуличних термометрів для пластикових вікон, похибка результатів вимірів мінімальна. Дані вимірювань ви бачите на дисплеї основного блоку. Таким чином, додаткове зручність вуличного цифрового термометра у відсутності необхідності вдивлятися в ртутний градусник, намагаючись розрізнити показання по ледь помітному стовпчика. На вуличному віконному термометрі з виносним датчиком вся інформація чітко і наочно відображається на контрастному дисплеї у вашій кімнаті.
Корисна порада! Купуючи вуличний електронний термометр з виносним датчиком, зверніть увагу на моделі, оснащені датчиком вологості. Таким чином ви зможете відслідковувати зміни даного показника і будете попереджені про ймовірність опадів.

Автомобільний цифровий термометр з виносним датчиком
Особливості та корисні функції вуличних віконних термометрів
Купуючи термометр, зверніть увагу на його характеристики і додаткові можливості, які роблять цифрові термометри віконні більш зручними і функціональними.
Особливості та переваги електронних вуличних термометрів
Завдяки досягненням сучасних технологій цифрові термометри здатні працювати при різних умовах і максимально зручні у побуті:
- побутові електронні термометри функціонують при широкому діапазоні температур. Для внутрішнього основного блоку робочий діапазон становить від -10 до +50°C, зовнішній датчик зберігає свої експлуатаційні характеристики при температурному режимі від -50 до +70°C. Це дозволяє використовувати термометри у всіх кліматичних зонах Росії;
- ви можете не переживати за збереження і точність показань приладу при будь-яких погодних умовах: завдяки герметичному корпусу, датчику не страшні сніг, вітер, дощ і палюче сонце;

Завдяки герметичному корпусу погодні умови не можуть вплинути на показання приладу
- цікаво, що радіопередавач з термопарою можуть бути встановлені не лише на вулиці. При необхідності виміряти температуру в приміщенні або всередині іншого об’єкта, ви можете розмістити капсулу з датчиком в теплиці, гаражі, погреби, майстерні і навіть холодильній камері;
- бездротові електронні вуличні термометри з виносним датчиком легко розмістити в будь-якому зручному місці, їм не обов’язково перебувати біля вікна;
- сучасні прилади не просто фіксують температуру, але здійснюють повноцінний моніторинг та аналізують отримані дані.
Додаткові функції електронних цифрових термометрів з виносним датчиком
Сучасні пристрої володіють різними додатковими можливостями, розширюють функціонал термометра. При виборі термометра ці характеристики можуть зіграти важливу роль.
ФункцияОписание функцииОпределение ймовірності гололедаПри температурному режимі в межах від -1 до -3°C пристрій попереджає вас про підвищену ймовірність ожеледиці на вулиці.Аналіз данныхТермометр фіксує максимальну і мінімальну температуру і записує ці дані в пам’ять.Підключення в USBЧерез USB порт ви можете підключити користувача до свого комп’ютера, копіювати, проаналізувати і обробити отримані дані і скласти звіти на основі інформації в пам’яті пристрою.Додаткові индикаторыТермометр може оснащуватися годинами, вбудованим будильником і календарем, поєднуючи в одному пристрої всі корисні показники, необхідні нам щодня. Серед кращих багатофункціональних моделей – термометри віконні rst, оснащені годинами і розумним будильником.Визначення рівня влажностиПоказатель вологості дозволяє передбачити ймовірність опадів на вулиці.
Корисна порада! При покупці цифрового термометра звертайте увагу на повний функціонал пристрою і не беріть занадто «розумні» моделі, якщо вам не потрібні всі їх можливості. Так ви істотно заощадите кошти, адже більш прості моделі і коштують значно дешевше багатофункціональних.
Якщо у вас є необхідність в аналізі даних, переконайтеся, що обрана модель оснащена USB-портом і здатністю обробляти зафіксовані показники. Якщо ж ваша єдина мета покупки – дізнаватися температуру на вулиці, вибирайте найпростішу лаконічну модель термометра.
Кому корисно придбати електронний термометр з виносним датчиком розширеного функціоналу
Купити термометр віконний, оснащений додатковими можливостями, може бути корисно для:
- синоптиків-любителів: не виходячи з дому, ви зможете стежити за всіма показниками та погодними отримувати високоточні дані;
- метеозалежних людей: завчасне передбачення змін погоди допоможе спрогнозувати самопочуття і скоригувати плани або вчасно прийняти необхідні ліки;

Багатофункціональний електронний термометр необхідний для вирішення багатьох побутових завдань
- городників: розуміння нюансів погодних умов дозволить вчасно подбати про рослини, вибрати найкращий час для посадки чи зібрати урожай;
- екстремалів: розуміння майбутніх погодних умов допоможе вибрати кращий день для парапланеризму, серфінгу і інших занять, залежних від сили вітру;
- людей, чия робота і хобі залежить від погодних умов: ви зможете вчасно визначитися з планами і вибрати вдалий день для здійснення своїх цілей.
Різновиди електронних термометрів з виносним датчиком
Одним з важливих переваг таких термометрів є їх мобільність. Ви можете не тільки розмістити основний дисплей в будь-якій точці кімнати і міняти розташування за настроєм і необхідності, але навіть носити його з собою.

Настільний безпровідний цифровий термометр
Найбільш популярні варіанти:
Корисна порада! Пам’ятайте, що навіть переносні термометри обмежені радіусом 60 м від датчика – саме в межах такої відстані функціонує пристрій.

Існують сучасні бездротові термометри, які можна розміщувати в будь-якому місці приміщення
Використання електронних термометрів з виносним датчиком для лазні
Особливість лазні або сауни в умовах підвищеної температури і вологості в межах приміщення. Тому вкрай важливо точно вимірювати і підтримувати заданий температурний режим. Для цієї мети оптимально підходять електронні термометри для вимірювання температури з виносним датчиком.
Переваги термометрів з виносними датчиками для лазень
Ідеальними для лазень електронні термометри з виносними датчиками роблять наступні характеристики:
- стійкість до температурних перепадів і впливу дуже високих температур;
- пристосованість до впливу підвищеної вологості;
Стаття по темі:

Види і можливості пристроїв. Критерії вибору метеокомплексов. Рейтинг бездротових моделей. Де купити метеостанцію.
- висока міцність, наявність захисту від механічних пошкоджень;
- при випадковому дотику корпус приладу не залишить опіків на шкірі – він не розжарюється до такої міри;
- мінімальний показник похибки.
Особливості термометрів з виносними датчиками для лазень
Різноманітність моделей дозволяє вибрати оптимальний для ваших цілей варіант, але є кілька загальних рекомендацій, які допомагають підібрати оптимальну модель:
- виносний датчик термометра для лазні може бути дротових або бездротових: у другому випадку інформація з датчика надходить на основний блок за допомогою радіохвиль;
- у лазні важливим показником є не тільки температура, але і вологість повітря – щоб виміряти і її, зверніть увагу на термометр-гігрометр;
- зверніть увагу на додаткові функції термометрів для лазень: наприклад, пристрій може сповіщати вас звуковим сигналом про досягнення встановленої температури;
- у випадку з виносним датчиком сам датчик встановлюється в парній, а термометр з показниками монтується на вході в кімнаті для відпочинку або передбаннику; таким чином, температуру всередині приміщення можна дізнатися ще на вході в лазню;

Електронний термометр з виносним датчиком для сауни і лазні
- електронні термометри здатні витримувати температуру від -50 до +200°C, що дозволяє їм без перешкод функціонувати в умовах парної;
- багато моделей дозволяють підключити до одного основного дисплея до трьох бездротових датчиків;
- відстань, на якому датчики передають інформацію на основний корпус приладу – до 40 м;
- термометри для лазень роблять з жароміцного пластика і сталі, тому вони не бояться екстремальних умов парної;
- похибка показань електронних термометрів не перевищує 0,5°C.
Для чого потрібен датчик вологості
Для проведення лазневих процедур велике значення має не тільки температура, але і показник вологості повітря. Тому знаючи обидві ці характеристики, ви можете створити в лазні оптимальний мікроклімат.
При високому показнику вологості температура повітря не повинна перевищувати 40°C. У разі ж низького рівня вологості температура може досягати 80°C.

Для вимірювання та контролю температури і вологості в саунах використовуються багатофункціональні пристрої
Термометри для лазень: порівняння виробників і видів
У кожної з моделей є свої особливості. Звертайте увагу на актуальні для роботи в умовах підвищеної температури і вологості і зручні для використання в лазні:
- електронні моделі RST володіють підвищеною стійкістю до дії високих температур;
- термометри Sawo характеризуються різноманітністю моделей і форм, при цьому корпусу всіх виробів виготовлені з якісної деревини – кедра, дуба, сосни та інших порід;
- при виборі між капілярною, стрілочним і цифровим варіантами варто віддати перевагу придбання цифрового термометра з виносним датчиком – вони дорожче інших моделей, але відрізняються безпекою, наочністю і найбільшою точністю показань.

Електронні термометри для саун і лазень мають вбудований датчик і володіють стійкістю до високих температур
Особливості установки термометрів для лазень
Щоб термометр функціонував справно, а свідчення відрізнялися точністю, дотримуйтесь наступних правил:
Корисна порада! Для максимальної точності показань встановіть кілька термометрів на різній висоті – адже в залежності від висоти, температура повітря відрізняється.
Як зробити електронний термометр своїми руками
Якщо відчуваєте в собі тягу до винахідництва, можна освоїти створення цифрового термометра своїми руками. В результаті ви отримаєте робочий пристрій, що підключається до комп’ютера через порт. Таким чином, ви зможете підтримувати необхідний температурний режим в акваріумі, інкубаторі, сховища та інші приміщення, так і відстежувати і надалі аналізувати зміни погоди на вулиці.

Зробити електронний термометр своїми руками набагато простіше, ніж може здатися
Більш того, створення цифрового термометра з виносним датчиком своїми руками дозволяє підключити до одного двох — або трипровідною лінії декілька датчиків. В результаті ви мінімізуєте витрати і при цьому можете відстежувати і регулювати температурний режим в кількох місцях відразу.
Що потрібно для зборки електронного термометра з виносним датчиком своїми руками
Для успішного створення приладу вам потрібно:
- термодатчик – наприклад, Dallas SD1820, один чи кілька;
- два діода Шотткі;
- стабілітрони на 3,9 V, 6,2 V і V 5,6;
- один діод 1N4148;
- один конденсатор 10мкФ на 16V;
- один резистор 1,5 кОм 0,25 Вт;
- корпус для роз’єму;
- девятиконтактный роз’єм СОМ-порту типу мама.
Корисна порада! Використовуйте стабілітрони мінімальної потужності – вони характеризуються максимальною компактністю.

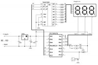
Електрична схема цифрового термометра
При належному умінні монтаж деталей можна зробити прямо на роз’ємі – цей варіант є найбільш зручним і практичним.
В результаті ви отримуєте термометр, що працює в температурному діапазоні від -55 до +125°C при абсолютної похибки перетворення менше 0,5°C. Максимальний час повного перетворення складає приблизно 750 мс.
Пристрій вузла 1-Wire-інтерфейсу дозволяє адресувати на одній однопровідній лінії необмежену кількість подібних пристроїв. Паразитне живлення однопровідній лінії дозволяє приладу функціонувати без зовнішнього джерела живлення.
Необхідне значення напруги для живлення пристрою через окремий зовнішній виведення становить від 3 до 5,5 Ст. Розміщується термометр транзисторном корпусі ТО-92.

При самостійному виготовленні пристрою ви можете встановити два або більше датчиків
Програмне забезпечення для роботи електронного термометра
Готове пристрій не вимагає калібрування сенсорів. Залишається підключити датчик до комп’ютерного порту, після чого необхідна програма вимірювання температури. Підходящим варіантом є Temp.Keeper: вона дозволяє відслідковувати температурний режим різних об’єктів і середовищ в залежності від розміщення датчиків.
Корисна порада! Виготовлення такого пристрою своїми руками вимагає деякого досвіду в конструюванні подібних механізмів, а також відповідних запчастин. Тому при відсутності відповідного досвіду, краще буде купити вуличний електронний термометр, в такому випадку ви будете впевнені в його справності та ефективній роботі.
Електронні термометри: відгуки про роботу
Перш ніж купувати електронний пристрій, важливо зважити всі за і проти. І тут слід звернути увагу на досвід реальних людей, які користуються пристроєм довгий час.

Часто електронні термометри з виносним датчиком використовують для вимірювання температури води в акваріумі
За відгуками користувачів, є два основних аспекти, які радять врахувати при покупці:

Деякі моделі термометрів досить компактні і дозволяють носити пристрій з собою
З корисних функцій з власного досвіду користувачі виділяють:
- вбудований гігрометр для вимірювання вологості повітря за вікном, адже без цього показника складно підтримувати комфортний мікроклімат в приміщенні; однак, більшість термометрів вимірюють вологість повітря в приміщенні, тому вам актуальний термометр з виносним датчиком;
- побутовий домашній термометр з гігрометром дозволяє набагато точніше орієнтуватися в погодних умовах і стане справжньою домашньою метеостанцією, адже показники у вашій місцевості можуть помітно відрізнятися від тієї, де роблять заміри метеорологи;
- наявність гігрометра дозволяє відслідковувати зміну клімату на вулиці протягом дня і, наприклад, вибрати вдалий момент для провітрювання приміщення;
- порівнюючи показники вологості, ви зможете визначити джерело вогкості в приміщенні.
Таким чином, сучасні термометри з виносним датчиком не обмежуються простим вимірюванням температури на вулиці або в приміщенні і дозволяють аналізувати погодні показники в будь-яких умовах.
Ілля Ткачук 2017-02-10T10:52:43+00:00 Інструменти| ОЦІНИТЕ
МАТЕРІАЛ
Завантаження… ПОДІЛІТЬСЯ
У СОЦСЕТЯХFacebookTwitterOkGoogle+PinterestVk
