Печі для бані на дровах з баком для води: загальні положення
Печі для бані на дровах з баком для води встановлюються в будинку у тих випадках, коли немає можливості підключення електричної мережі або газопроводу. Це багатофункціональне обладнання приваблює споживачів простою схемою монтажу і економічністю. Ринкова пропозиція має безліч варіантів конструкцій різного типу та рівня потужності.

Сучасні печі на дровах, в основному, виготовляються з металу
Печі для бані на дровах з баком для води: конструкційні особливості
Пічні конструкції мають кілька складових. Корпус включає колосникові ґрати, топку, димар і простір для розміщення каменів, зване кам’янкою.
Печі для бані на дровах з баком для води сучасного покоління виготовляються з металу, іноді — з цегли. Але лідируючі позиції займають конструкції, виконані з нержавіючої сталі.
Матеріалом для виготовлення колосникових грат зазвичай виступає чавун. Він володіє відмінними характеристиками, здатний витримувати дію серйозних температур, довговічний. Для закривання топки в конструкції передбачена герметична дверцята.

Пристрій печі на дровах з ємністю для води
Зверніть увагу! В деяких моделях можна зустріти дверцята зі склом. Воно має достатню товщину і має жароміцні властивості.
Більшість моделей може запропонувати широкий діапазон функцій. Тому у споживачів є можливість купити недорого печі для лазні на дровах, що володіють розширеним функціоналом (наприклад, від виробника банних печей Теплодар, або іншої марки).
Цей список може включати можливість:
- здійснювати роботу в рамках декількох режимів;
- регулювати час роботи;
- контролювати тривалість прогріву банних приміщень;
- встановлювати параметри щодо якості пари;
- налаштовувати температуру всередині бака і парильні.

Дров’яна піч для лазні з баком для води
Принцип дії дров’яних чавунних печей для лазні
Закладення палива в обладнання здійснюється декількома способами. Цей момент залежить від типу дров’яної печі для лазні з баком для води. У процесі згоряння дров утворюється попіл і сажа. Ці залишки палива зсипаються в зольник через колосникові ґрати. Зольник очищається від сажі та золи вручну. Димова труба призначена для виведення газоподібних продуктів горіння, що виникають у процесі спалювання дров.
В результаті згоряння палива виділяється тепло. Підігріте повітря в кілька разів легше холодного, тому він піднімається по камінню вгору. Камені нагріваються, віддаючи тепло приміщення парилки, де формуються комфортні температурні умови.

Приклад пристрою чавунної банної печі з баком для води
Можливістю створювати оптимальний температурний режим володіють дров’яні печі для лазні з баком для води з виносною топкою. У подібних конструкціях завантаження палива в камеру здійснюється з приміщення, що примикає до парильні. Гази віддають тепло, відбувається швидке нагрівання води.
Корисна порада! Печі тривалого горіння здатні ефективно виконувати роботу протягом 6-10 годин. Підібравши оптимальну модель конструкції, можна забути про постійний контроль за піччю — достатньо буде просто поповнювати запас дров в топці двічі на добу.
Види чавунних печей для лазні на дровах (за типом розміщення бака), їх характеристика
Велика частина виробників випускає конструкції, виконані в рамках суворого дизайну. Декоративними вікнами для спостереження за полум’ям оснащуються тільки печі-каміни, встановлюються у вітальнях.
Дров’яні пічні конструкції вважаються самим традиційним варіантом обладнання. При згорянні деревини в приміщенні створюється приємний аромат російської парильні.

Піч для бані на дровах з різними типами бака
Готові конструкції можуть мати різний тип розміщення ємності для води:
- в пічному корпусі (вбудована ємність);
- на трубі, що відводить дим (рекомендується купувати готові конструкції даного типу, так як пристрій димоходів в лазні для дров’яних печей своїми руками вимагає серйозних знань і умінь);
- окремо від конструкції (в цих печах є вбудований теплообмінник, який виконує роль сполучного елемента між конструкцією і баком, винесеним за її межі);
- навісний тип (кріпиться до корпусу).
Існує цілий ряд популярних конструкцій для тих, хто має намір купити піч для бані на дровах.
Середні розцінки на моделі печей з різною конструкцією:
Назва моделиТип розміщення бакаСтоимость, руб. Тунгускана димовий трубеот 10000Helo (фінська)встроенныйот 25000Сахаранавеснойот 12000
Перед покупкою печі на дровах незайвим буде ознайомитися з відгуками споживачів, які у великій кількості представлені в мережі.
Особливості печей для лазні на дровах тривалого горіння з вбудованим або навісним баком
Бак для розміщення води являє собою металеву ємність. Варіант конструкції з підвішеним з зовнішньої сторони баком або вбудованим в корпус печі вважається дуже незручним.
Вбудований тип розміщення ємності для води не дозволяє контролювати рівень рідини в ньому. Вода в цьому випадку піддається постійному кипіння, тому потрібно додатково організувати систему для відведення пари.
Навісні бачки характеризуються швидким кипінням, яке випереджає той момент, коли парилка починає нормально протоплюватися. Утворюється негативне явище, зване «холодною парою». Такий пар підвищує рівень вологості в приміщенні, що створює серйозні перешкоди для формування прийнятних і комфортних умов в лазні.

Піч з вбудованим баком для нагріву води
Рада! Рекомендується використовувати березові полінця, дрова з вільхи. Ефективним паливом є кам’яне вугілля, торф’яні брикети. Деревина повинна бути сухою, щоб забезпечувати швидке прогрівання приміщення. Від використання деревини хвойних порід краще відмовитися. При згорянні формується велика кількість сажі, забивающей димар.
У прибудованих баках частина тепла витрачається на нагрівання води, з-за чого збільшується час прогрівання парилки. Гаряча вода повинна зливатися і розбавлятися холодної, що створює додаткові незручності.
Стаття по темі:

Особливості печей з виносною ємністю для води
Виносний бак для води нагрівається двома способами: від труби димаря чи від топки. Якщо мова йде про нагріванні допомогою топки, в металевих або цегляних печах виконується монтаж змійовика прямо в неї. Такий змійовик оснащений парою патрубків. Вони виходять назовні, де монтується виносної бак, який обов’язково повинен розташовуватися поблизу від джерела тепла. Максимально допустима відстань становить 3 метри.
Це вимога обумовлюється тим, що циркуляція всередині контуру буде здійснюватися в природному режимі. Бак підвішується на стіну з внутрішньої або зовнішньої сторони приміщення парилки. Він в обов’язковому порядку розміщується вище рівня розташування камери згоряння.

Металева банна піч з виносним баком для води
Завдяки цьому з’являється можливість:
- контролювати температурний режим;
- контролювати рівень рідини;
- виконати монтаж душа або змішувача прямо до бачка.
Такі печі мають і недоліки. Під час прогрівання приміщення частково тепло від топки йде на розігрів води. Без цього не обійтися, адже заливання системи після нагріву парилки заборонено, так як в розпечених трубах може статися закипання рідини, спровоковане різким охолодженням. Слідом за цим може послідувати удар і руйнування теплообмінника.
Дров’яні печі з ємністю для води (підігрів від димовідводу)
Найбільш вигідним варіантом вважаються пічні конструкції, в яких ємність для води живиться від енергії димового газу. Газоподібні продукти горіння мають дуже високу температуру. Тому ефективність роботи печі не буде знижена, якщо для обслуговування ГВП буде взята частина тепла від газоходу.

Різні варіанти печей з баком, вода в якому підігрівається від димовідводу
Корисна порада! Процес нагрівання можна організувати відразу декількома способами. Допускається вбудовування бака з великим об’ємом в димохід, рідина в ньому буде нагріватися від продуктів згоряння дров напряму. Можна встановити на димохідну трубу бак невеликого розміру, укомплектований двома патрубками. До них монтується виносна ємність з великим об’ємом.
Використання тепла від продуктів горіння для нагріву води – оптимальний спосіб організації системи, тому у споживачів є можливість купити печі для лазні на дровах цієї та інших модифікацій у великому різноманітті.
Розцінки на популярні вітчизняні моделі:
Назва моделі (виробник)Вартість, руб. Ангара (Термофор)18000Компакт (Термофор)15000Тунгуска (Термофор)17000Сахара (Теплодар)12000Русь (Теплодар)11000Сибирь (Теплодар)12000
Не існує однозначно поганих або хороших конструкцій. Оптимальна піч підбирається на підставі умов приміщення, де планується її встановлення, та вимог окремого покупця.
Печі для лазні на дровах: як вибрати оптимальну конструкцію
Якщо ви плануєте придбання печі на дровах для лазні, полегшити вибір допоможе ряд параметрів, на які варто звернути увагу:
- рівень теплової потужності – залежить від розміру парильного приміщення (модель з високим показником потужності в невеликому приміщенні буде провокувати перегрів, а малопотужна піч у великій бані дуже швидко зламається через високу навантаження);
- різновид топки, яка може бути вилучений або вбудованими. У першому випадку піч обслуговується з передбанника;
- матеріал – більшість моделей складається з багатошарового металу, завдяки чому виключається поява опіків унаслідок випадкового дотику до пічного корпусу;

Бак для води підвішений з зовнішньої сторони банної печі
- тип печі – при частому використанні лазні рекомендується встановлювати закриту конструкцію, яка утримує тепло протягом тривалого часу. Відкриті варіанти печей монтуються у парильнях, що використовуються дуже рідко;
- обсяг каменів – велика кількість каменів сприяє більш тривалому утриманню тепла, а, отже, і зниженню витрати дров;
- торгова марка – продукція провідних виробників відрізняється високим ККД і великими функціональними можливостями.
Зверніть увагу! Деякі моделі мають облицювання у вигляді керамічної плитки або каменю натурального походження.
Специфіка фінських печей для лазні на дровах від популярних виробників
Пічні конструкції фінського виробництва асоціюються у споживачів з поняттям надійності і комфорту. Вартість виробів на порядок вище, ніж вітчизняних. Але вигідні характеристики фінської продукції виправдовують високу ціну.

Фінські печі асоціюються з високою надійністю, комфортом і простотою в експлуатації
Популярні бренди:
- Kastor – обігрів здійснюється за рахунок теплового випромінювання, що йде від каменів і стінок корпусу. В основі дії конструкції лежить принцип конвекції. Найбільш вигідними характеристиками продукції є висока якість матеріалів, застосовуваних у виготовленні печей, привабливий зовнішній дизайн, спеціальна система повітрообміну та дверцята, виконані з скла;
- Helo – модельний ряд включає модифікації для побутового використання в домашніх лазнях (невелика потужність і ціна) і конструкції для саун громадського призначення (широкий функціонал, висока ефективність);
- Harvia – продукція бренду відрізняється довгими термінами ефективної служби, міцністю, екологічністю і високою швидкістю обігріву приміщення. Печі економічні;
- Narvi – обладнання компанії пропонує споживачам зручність експлуатації, простоту і високу швидкість нагріву.
Середня вартість фінських печей:
ПроизводительСтоимость, руб. Kastor23000 – 38000Helo35000 – 40000Harvia21000 – 38000Narvi37000 – 45000
Будівництво печі на дровах для дачі з цегли і металу
Цегляні конструкції виготовляються своїми руками. Для якісного і швидкого будівництва можна вдатися до допомоги фахівців.
Корисна порада! На початковому етапі робіт проводиться організація фундаменту. На відміну від сталевої або чавунної конструкції установка важкої цегляної печі прямо на поверхню підлоги неприпустима.

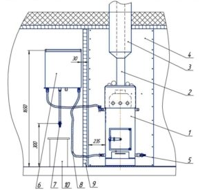
Розміщення металевої печі і водяного бака в бані: 1 — піч-кам’янка з водогрійної сорочкою; 2 — труба димова з нержавіючої сталі (115 мм); 3 — оброблення димової труби; 4 — негорюче покриття стін; 5 — кран зливний; 6 — бак для гарячої води; 7 — кран розбору гарячої води; 8 — труби термостійкі; 9 — перегородка; 10 — лавка для тазика
Покрокова інструкція:
- формування ями (глибина – 0,3 м, розміри на 0,1 м перевищують розміри печі з кожної сторони);
- трамбування ґрунту;
- формування щебеневої подушки (товщина шару – 0,1 м);
- формування пісочної прошарку і ущільнення (товщина – 0,1 м);
- монтаж дерев’яної опалубки;
- формування каркаса з арматури (діаметром 12 і 8 мм);

Банна піч із цегли, побудована своїми руками
- заливка бетонної сумішшю (товщина – 0,1 м);
- просихання протягом 3 тижнів (опалубка може бути знята до остаточного затвердіння);
- монтаж гідроізоляційної, термоізоляційної прошарків (лист сталі або азбестовий картон);
- укладання цегли із застосуванням глиняного розчину.
Організація невеликих печей з металу для лазні своїми руками, креслення, фото
Металеві конструкції менш інертні, ніж цегляні. Їх охолодження відбувається так само швидко, як і нагрівання. Для невеликих парилень підійде малогабаритний варіант вироби з баком, розміщеними над камерою, де зберігаються парові камені.

Компактна піч-кам’янка для лазні з баком для води (а — кам’янка безперервної дії; б — кам’янка періодичної дії): 1 — зольник; 2 — топливник печі-пралі; 3 — бак, заповнений каменями; 4 — відро з водою; 5 — вихідний димохід; 6 — бакс водою; 7 — бочка, заповнена камінням; 8 — дверка для пари
Для самостійного виготовлення корпусу потрібно листова сталь товщиною 3-5 мм. Можна застосувати сталеві труби з великим діаметром або бочки.
У верхній зоні корпусу розміщуються камери для каменів. В бічну частину монтується дверцята, через яку буде здійснюватися полив парових каменів.
Далі виконується футеровка, складана з вогнетривкої цегли для топливника, а також для камери з камінням.

Невелика металева піч для лазні з вбудованим баком
В процесі роботи такої печі гарячі гази і вогонь будуть проходити крізь каміння і нагрівати їх разом з водою. Для відведення газів слід організувати димову трубу з середини бака. Рекомендується використовувати сендвіч-труби.
Будівництво пічної конструкції своїми руками має масу переваг. Однак, не маючи відповідних навичок і знань, краще вдатися до допомоги фахівців або ж придбати готову конструкцію з чавуну або металу.
Артем Іванов 2016-12-21T06:13:37+00:00 Споруди, Ділянка|Котел, Своїми руками| ОЦІНИТЕ
МАТЕРІАЛ
Завантаження… ПОДІЛІТЬСЯ
У СОЦСЕТЯХFacebookTwitterOkGoogle+PinterestVk
