Газовий настінний двоконтурний котел з закритою камерою згорання: вибір моделі
Прагнучи забезпечити свій будинок теплом в холодний період, ми часто опиняємося перед вибором відповідного агрегату для системи опалення. Серед різноманіття опалювального газового обладнання хочеться вибрати ефективну, економічну і посильну по бюджету установку. Газовий настінний двоконтурний котел з закритою камерою згоряння цілком може стати пріоритетним варіантом саме у вашому випадку.

Настінний газовий двоконтурний котел найчастіше встановлюють на кухні
Газовий настінний двоконтурний котел з закритою камерою згорання: переваги
Газові котли закритого типу використовують для автономного обігріву невеликих приміщень, офісів і приватних будинків. Настінні газові котли для опалення, з закритою камерою згорання мають ряд переваг, щодо іншого аналогічного обладнання:
- в процесі роботи не споживається кисень з приміщення, де встановлений настінний газовий котел;
- приплив повітря для горіння забезпечується без залучення додаткових пристроїв;
- для опалення всіх кімнат приміщення котел споживає оптимальний обсяг газу;
- для використання котла в приватних будинках немає необхідності облаштовувати димохід;

Розташування двоконтурного газового котла в котельні приватного будинку
- індивідуальний вибір відповідного режиму роботи;
- компактні габарити;
- доступне автоматичне управління;
- широка лінійка представлених моделей (з відгуками користувачів популярних котлів можна ознайомитися на сайтах виробників).
Газові котли, в основі яких використовується закрита камера згоряння, безпечні і можуть бути встановлені безпосередньо в опалювальному приміщенні без ризику нестачі в ньому кисню. Це забезпечується спеціальною схемою труб (одна усередині іншої). По одній трубі подається повітря, що забезпечує процес горіння, з іншого – виводиться чадний газ. Таким чином, повністю запобігає потраплянню відпрацьованого газу в приміщення.

Газові котли з закритою камерою згоряння безпечні і можуть бути встановлені безпосередньо в опалювальному приміщенні
Пристрій настінних газових приладів з закритим типом топки
Настінні газові котли опалення в сучасному виконанні – це досить компактне обладнання, що складається з наступних конструктивних елементів:
- функціональний корпус;
- газова пальник;
- блок теплообмінника;
- циркуляційний насос;
- регулятори, датчики температури;
- розширювальний бак;
- система повної безпеки;
- відведення продуктів згорання в димар (примусовий);
- панель управління.

Пристрій газового котла з закритою камерою згоряння
Модель з яким управлінням (електронним або механічним) вибрати вам дізнатися, ознайомившись з відгуками споживачів.
Враховуючи кількість контурів та схему підключення, настінний газовий котел оснащений додатковим теплообмінником, вентилятором, запірною арматурою.
Котли закритого типу можуть бути конвекційними і конденсаційними. У конвекційних моделях виділяється пар видаляється назовні, а в конденсаційних – це пара використовується для додаткового підігріву теплообмінника. Моделі мають свої плюси і мінуси. Конвекційні котли прості, дешеві і легко управляються. Конденсаційні відрізняються високою продуктивністю, але при цьому коштують набагато дорожче.

Настінний газовий котел встановлений у ванній кімнаті
Порівняльний аналіз пристроїв з різними типами камер згоряння
Котел з камерою згоряння відкритого типу використовують для горіння повітря приміщення, що може призвести до нестачі кисню. Такий котел може бути встановлений тільки в окремому приміщенні (котельні), його димовідвід обов’язково повинен бути вертикальним. З відгуків можна дізнатися, що ціна на такий котел відносно помірна.
Стаття по темі:

На відміну від приладів опалення з камерою згоряння відкритого типу, турбований настінний котел забезпечує подачу повітря і видалення продуктів згоряння через коаксіальний димохід, принцип дії якого – одночасне виведення відпрацьованого газу та забір зовнішнього повітря. Важливими перевагами котлів з закритою камерою згоряння є безпека установки в житловому приміщенні, висока продуктивність (теплообмін між припливним потоком і видаленого) і рівень підвищеного комфорту в будинку.
Корисна порада! Для ефективної роботи газового настінного котла, необхідно вибрати місце для монтажу поряд з зовнішньою стіною або вентиляційною шахтою приміщення.

Принцип роботи одно — і двоконтурного газового котла
Котел із закритою камерою не вимагає спеціально обладнаного окремого приміщення з забезпеченням всіх протипожежних норм. Димовідвід може бути горизонтальним і невеликим по довжині. Прилад з такою камерою згоряння має високий рівень безпеки:
- захист від витоку газу;
- захист від ударів при запалюванні;
- захист від надмірного нагрівання води;
- контроль роботи вентилятора.
Цей котел підходить для монтажу як в приватному будинку, так і в квартирах (переважно на кухнях) багатоповерхових будинків. Беручи до уваги ймовірне відсутність у багатоповерхівках гарячого водопостачання, застосування в них газових настінних двоконтурних котлів з закритою камерою згоряння буде цілком обгрунтованим. Відгуки свідчать про часте застосування таких котлів в житлових квартирах.

Компактний настінний котел підходить для установки і використання в квартирі
Види і особливості моделей котлів з закритою камерою згоряння
Настінні котли з камерою згорання закритого типу поділяються на одноконтурні та двоконтурні. Моделі газових настінних одноконтурних котлів для опалення будинку працюють тільки на обігрів радіаторів опалення. Якщо є потреба в гарячому водопостачанні, то слід вибрати одноконтурний котел з можливістю підключення до нього водонагрівача (бойлера) побічної нагріву. Такий одноконтурний котел зможе задовольнити потреб в гарячій воді великій родині, що проживає в одному приватному будинку. Ще одним варіантом одноконтурного виконання є одноконтурний котел з вмонтованим бойлером. Він володіє великими габаритами. Ціна таких котлів помітно вище, однак, це окупається безперебійним постачанням гарячої води, навіть в проточному режимі. На якій моделі одноконтурного настінного котла краще зупинити свій вибір, дізнайтеся з відгуків користувачів.

Принцип роботи двоконтурного котла в режимі опалення та приготування гарячої води
Пристрій газових настінних двоконтурних котлів для опалення будинку дозволяє функціонувати як для опалення, так і для приготування гарячої води. Такі котли забезпечені двома контурами. При користуванні гарячою водою, припиняється подача теплоносія до системи опалення. Двоконтурний котел оснащений клапаном, який автоматично припиняє нагрівання контуру опалення під час користування гарячою водою. Це багатьом дає привід думати, що в цей час опалювальні радіатори остигають. Як правило, відсоток зниження температури в радіаторах мізерно малий (відгуки споживачів це підтверджують).

При використанні гарячої води у споживача, контур опалення тимчасово відключається
Існують моделі настінних двоконтурних котлів, в яких передбачений підігрів опалювального контуру за рахунок додаткового теплообмінного блоку. У таких установках гаряча вода віддає частину тепла контуру опалення (принцип рекуперації тепла). Відгуки про такому обладнанні говорять про високої продуктивності котлів.
Корисна порада! Газовий настінний двоконтурний котел, оснащений бойлером, забезпечує незалежність від подається водогоном напору води.
Моделі яких настінних газових котлів краще: що впливає на вибір
Які критерії необхідно враховувати при виборі газового настінного двоконтурного котла? Як вибрати модель, яка підходить для вашого приміщення? Перш за все слід звернути увагу на такі показники:
- потужність обладнання;
- економічність установки;
- умови і складність монтажу;
- ціна опалювального приладу.

Внутрішня будова конденсаційного газового котла на прикладі приладу фірми Vaillant
Як вибрати потужність. Показник потужності зазвичай розраховується фахівцем. Якщо ж такої можливості не виявилося, можна вдатися до узагальненого методу так званого укрупненого розрахунку. Його суть в тому, що для опалення одного квадрата площі приміщення потрібно 0,1 кВт енергії тепла. Значить, дізнатися необхідну потужність (кВт) можна, помноживши всю площа опалювального приміщення на число 0,1.
Що стосується показника економічності, то настінний котел закритого типу за рахунок ефективного спалювання газу є приладом з високим ККД (до 98%) при номінальній потужності.

ККД настінного газового котла закритого типу може досягати 98%
Корисна порада! Настінний газовий котел закритого типу є енергозалежним приладом. Якщо у вашому регіоні часто відключають електроенергію – це слід враховувати при виборі котла.
Складність і вартість монтажу залежить від того, де передбачається розмістити установку газового настінного двоконтурного котла. Як вибрати місце в приміщенні кухні або суміщеного санвузла? У цьому допоможуть фахівці-монтажники газового обладнання. Якщо потрібно точне розміщення в обмежених умовах, монтаж обійдеться трохи дорожче.

Пристрій і принцип роботи двоконтурного котла від виробника Viessmann
Кожному потенційному покупцеві хочеться вибрати модель газового приладу з прийнятною ціною. Вона залежить від того, якої потужності агрегат ви віддасте перевагу і з якими функціями. Чим більше в конструкції технічних елементів, виконаних з якісних матеріалів, тим краще котел і вище його вартість. Позитивні відгуки отримали двоконтурні настінні котли з теплообмінником, виконаним із сталі. Такий котел здатний швидко нагріти воду, мало важить і легко монтується.
Моделі яких газових настінних двоконтурних котлів краще купити? Відгуки людей, які користуються таким обладнанням, свідчать про простоті управління і можливості налаштувати температурний режим з точністю до 1°C. У разі несправності техніки на дисплеї висвічується код помилки.

Панель управління газового котла з механічними регуляторами і електронним табло
Особливості монтажу газових настінних котлів закритого типу
Перед придбанням газового настінного двоконтурного опалювального котла, ціни та відгуки можна уточнити у консультанта торгуючої організації.
При покупці котла необхідно переконатися у відповідній комплектації приладу. Після зняття упаковки, корпус агрегату не повинен бути пошкоджений і до нього має бути додано керівництво по експлуатації. Також варто перевірити наявність всіх комплектуючих деталей, щоб, у разі їх відсутності, відразу звернутися до продавця.
Крім цього, необхідно звірити всі характеристики приладу на корпусі і упаковці котла. Вони, в свою чергу, повинні відповідати даним показникам з інструкції.

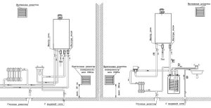
Схема підключення двоконтурного газового котла до систем водопостачання та опалення
Перед установкою настінного газового котла, необхідно звернутися в місцеву газову службу для узгодження схеми монтажу.
Для забезпечення процесу горіння, повітря в котел закритого типу надходить з вулиці. Немає необхідності в індивідуальному димарі, відведення відпрацьованого газу забезпечується шляхом приєднання до спільного димоходу. Особливу увагу слід звернути на те, щоб при монтажі не засмітилося установче місце вентилятора. Перед пуском системи бажано це місце перевірити на наявність сміття і бруду.

Налаштування електроніки двоконтурного котла повинен виробляти кваліфікований спеціаліст
Труба припливу зовнішнього повітря повинна розташовуватися на висоті 2,2 м від підлоги і не менше ніж 18 мм виступати від стіни. Для виведення конденсату з димаря, труби димовідводу повинні мати певний ухил. Щілини між трубою і стіною підлягають обов’язкової герметизації.
Монтується настінний котел на добре закріплених гаках (кріплення у верхній частині приладу). Агрегат встановлюється так, щоб у разі несправності сервіс та ремонт можна було робити, не відключаючи його від системи трубопроводів газу і води. Необхідно передбачити на трубах подачі води вимикаючі крани-засувки, що забезпечують проведення ремонтних робіт.

Пристрій настінного газового котла з вбудованим бойлером непрямого нагріву
Таким чином, настінні газові котли закритого типу можуть скласти гідну альтернативу в облаштуванні індивідуальної опалювальної системи.
Артем Іванов 2017-06-08T14:57:16+00:00 Отоплення|Котел| ОЦІНИТЕ
МАТЕРІАЛ
Завантаження… ПОДІЛІТЬСЯ
У СОЦСЕТЯХFacebookTwitterOkGoogle+PinterestVk
